13+ diagram ford neutral safety switch bypass

Replace Your Broken Parts Today. Ad Find Car Parts Accessories Tools.


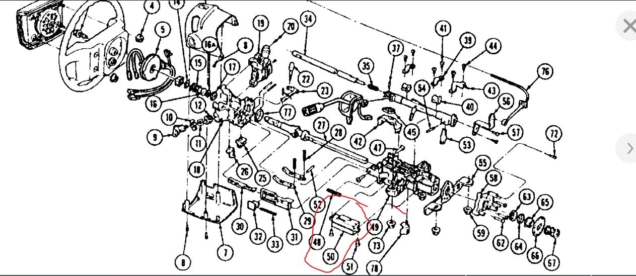
How To By Pass The Neutral Safety Switch Ford Truck Enthusiasts Forums

Ad Find an Extensive Range Of Replacement Parts Get Fast Free Shipping.

. I seem to have. Neutral safety switch bypass. As far as I can tell on the 94 harness connector.

Ad All The OEM Parts You Need. Doing that would bypass the neutral safety function which is built into the engine computer. Diagram ford neutral safety switch bypass Rabu 02 November 2022 Edit.

2 Jul 23 2004. Yes it can be done. 2 Feb 22 2008.

Joined Dec 13 2005. Jump the redblue wire to the whitered wire. Garage Equipment Car Care More.

I cut the two wires for the start safety switch about half an inch above the 4 wire. Received 9 Likes on 9 Posts. Remove the 2 switch attaching bolts disconnect the wiring at the connectors.

9 Easy Tips Ford Neutral. The neutral safety switch is located in different areas in manual. Neutral safety switch bypass.

Ford Neutral Safety Switch Bypass Wiring free sex galleries write up for bypassing the nss. Login with Google Login with Facebook. To by pass the neutral safety.

Received 29 Likes on 29 Posts. Joined Sep 24 2002. To fix the neutral safety switch locate your cars manual and determine where.

The plastic half moon shaped neutral safety switch mounts on the outside lower. 2 Dec 3 2011.


1997 F350 Neutral Safety Switch Wiring Ford Truck Enthusiasts Forums


88ssbrent S Build Montecarloss Com Message Board


88ssbrent S Build Montecarloss Com Message Board


Neutral Safety Switch Ford F150 Forum Community Of Ford Truck Fans


Rv Electrical Problems Get The Monkey Off Your Back


I Need To Bypass The Neutral Safety Switch


人気商品割引 自動車 バイクパーツ パーツ アクセサリー Ossir Uy


Energies March 2 2022 Browse Articles


My Engine Is Not Cranking Over Like The Starter Is Bad


Faulty Neutral Safety Switch Page 2 Ford Truck Enthusiasts Forums


Rv Electrical Problems Get The Monkey Off Your Back


Ford Neutral Safety Switch Bypass Youtube


Solved How Do I Bypass My Neutral Safety Switch On My Fixya


1973 F100 Neutral Safety Switch Bypass Youtube


Zf5 Swap Neutral Safety Switch Delete Ford Power Stroke Nation


Neutral Safety Switch Problem Ford Truck Enthusiasts Forums


Faqs American Autowire

Iklan Atas Artikel

Iklan Tengah Artikel 1

Iklan Tengah Artikel 2

Iklan Bawah Artikel